Have any questions?
CONTACT US
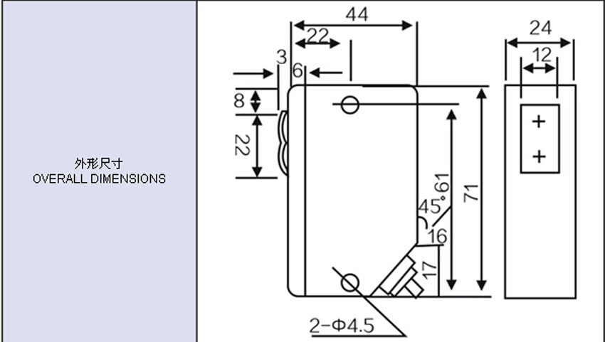
G71 Photoelectric Switch

G71 Photoelectric Switch

Advantage

> Clean production environment

> Full automatic testing with various tests

> Standardized production process with trained workers

> Low failure ratio and 24-month warranty

> Strong R&D and engineering support

Request a Quote  
G71 Photoelectric Switch

 

 

 

Principle of photoelectric switch

The working principle of the photoelectric switch is that when the beam
emitted by the emitter is blocked or partly reflected by the object, the
beam receiver whereby makes a judgment and reacts.

   

Description

Throuht-beam type

Through-beam bype photoelectric switch is designed that via the light
beam between opposite-mounted transmitter and receiver, the object
passing through these two devices will interrupt the light beam and start
the receiver.(Fig.R1)

Diffuse type

Diffuse reflection type photoelectric switch integrates the transmitter
and the reciver. Light reflected by the photoelectric switch is reflected
back to the receiver by the detected object.(Fig.R2)

Retroreflective type

Retroreflective type photoelectric switch also integrates the transmitter
and the receiver, Its difference from other models is that reflecotr is used
to relfect light to the photoelectric switch. Though the object between
the photoelectric switch and reflector can reflect the light, it is much less
efficient than the reflector so as to cut down reflected light.(Fig.R3)

Convergence reflection type (condensation type)

The working principle of convergence reflection type photoswitch is
similar to that of direct reflection type one, while its projector and light
receiver focus on boject distance, only when the object presents to the
focus can the photoswitch actuate.(Fig.R4)

Message Feedback
If you have any enquiry about quotation or cooperation,please free to email us at Winston or use the following enquiry form,Our sales representative will contact you within 24 hous.thank you for your interest in our products.
News Center
What are the different types of frequency inverters?
A frequency inverter (also commonly known as a Variable Frequency Drive or VFD) is a powerful piece of industrial electronics. Its core job is to control the speed of an AC electric motor by varying the frequency and voltage of the power supplied to it.
2025-10-29
What is the principle of frequency converter?
In our daily lives, we often take it for granted that appliances simply plug in and work. However, behind the scenes, a key technology often ensures this compatibility: the frequency converter. This device is fundamental to industrial automation, manufacturing, and even international trade. But what exactly is it? How does it work?
2025-10-17
How Can You Properly Maintain a Frequency Converter to Extend Its Service Life?
Many buyers invest in a frequency converter to boost motor efficiency, cut energy costs, and reduce wear on equipment—but they often neglect proper maintenance. Without regular care, even quality units may fail early, causing unexpected downtime and extra repair expenses. This guide breaks down simple, safe steps to keep your unit running reliably.
2025-10-14
What Environments Are Suitable for Using a Frequency Converter?
Many users question which environments can properly support a frequency converter’s operation, as poor surroundings may harm its performance or shorten its lifespan. This article clarifies the right environments for it, helping you identify where the device works stably.
2025-10-09

GET A QUOTE

AFFORDABLE PRICE: AS A MANUFACTURER, WE GIVE YOU FACTORY PRICE
Contact Us For Free Sample
Captcha Code
×